English
大江电气商城 点击访问
关于大江
企业文化
产品中心
营销招标
客服中心
人力资源
联系我们
企业简介
集团产业
组织机构
企业资讯
资质证书
文化理念
员工关怀
终端电器
配电电器
电动机控制与保护电器
开关电器
电源电器
仪器仪表
营销网络
招标信息
售后服务
技术支持
下载专区
打假维权
在线反馈
联系大江
塑料外壳式断路器
万能式断路器
塑料外壳式断路器
剩余电流动作断路器
快速链接
Links
塑料外壳式断路器
当前位置:
主页
>
产品中心
>
配电电器
>
塑料外壳式断路器
>
DJM9E智能型塑壳断路器
所属分类:
塑料外壳式断路器
打印当前页
将此页放入收藏夹
免费咨询:
发邮件给我们:dajan@dajan.com
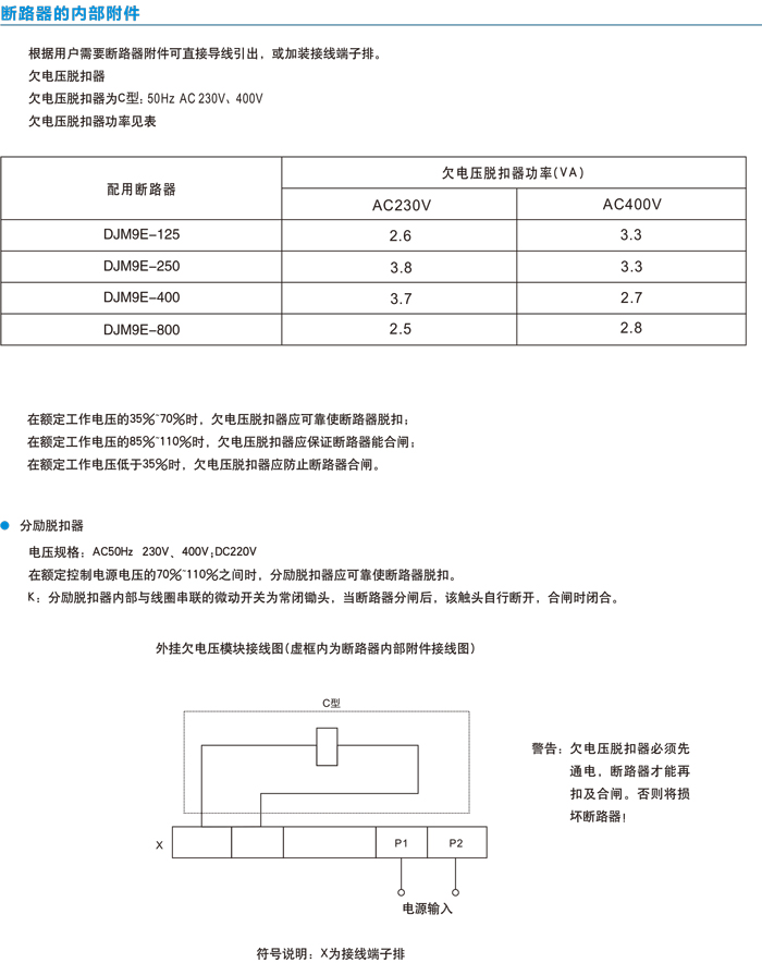
此产品包含以下详细资料
产品概述
© Copyright 2013~2015 浙江大江电气集团有限公司 版权所有.技术支持:
大江电气
浙ICP备17050908号-1
网站建设
乐清网站建设
温州网站建设
网站制作
浙公网安备 33038202002463号